
如果您對我們的文章雙饋風力發電機模擬試驗臺,室內模擬風力發電系統有任何疑問,請及時聯系我們,我們會為您解答閱讀時產生的問題,并且如果您看了雙饋風力發電機模擬試驗臺,室內模擬風力發電系統后,也有興趣投稿,我們也將為您提供像本文雙饋風力發電機模擬試驗臺,室內模擬風力發電系統一樣的機會,將您的投稿上傳到我們的平臺上。
擬風速變化引起的發電機轉速變化。通過開放式主控系統,用戶可以根據自己的實驗需求給定發電機轉矩,通過變流系統控制雙饋發電機的功率輸出,達到變速恒頻風力機組的并網發電等過程各參數的實驗研究。
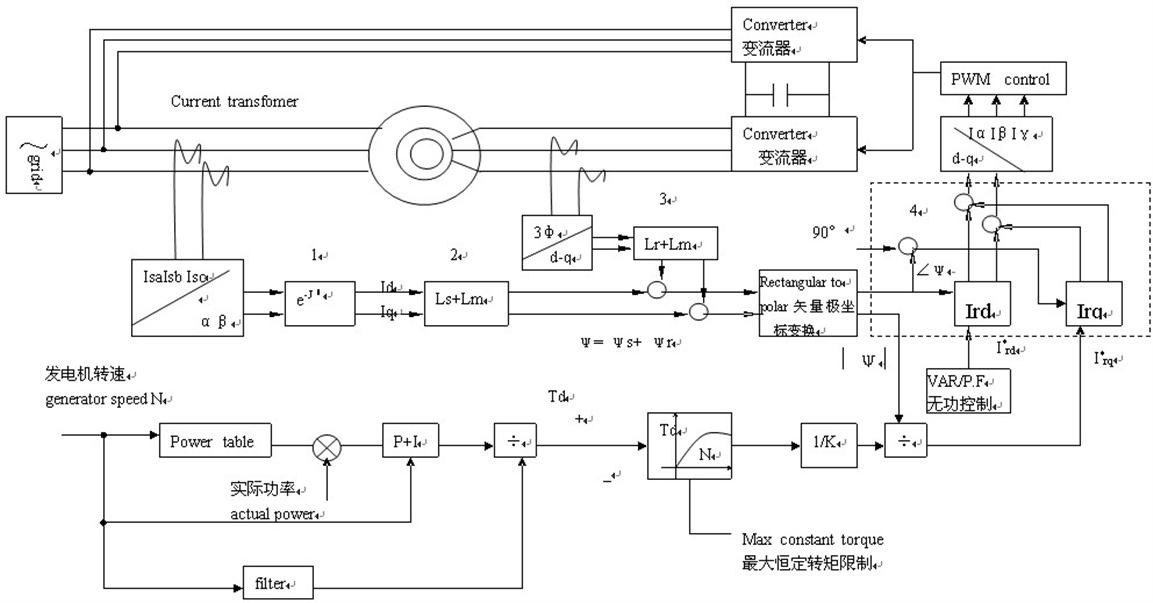
2.1系統結構示及原理


原理框圖
◆系統分為拖動單元、控制單元、發電單元、測量單元。
◆拖動單元:模擬系統因風速變化而引起的轉速變化
◆控制單元:分析系統狀態,控制系統運行,實現數據模擬
◆并網發電單元:雙饋發電機與并網變流器實現風機并網過程。
◆測量單元:系統各信號采集傳輸到主控系統中。
2.2系統功能
實現變速恒頻風力機組發電狀態的模擬,包括轉速、轉矩、發電量及有功、無功調節。
具體如下:
1)風力發電機接線形式實驗
2)空載運轉實驗
3)并網過程實驗(結合并網模塊)
4)并網連續運行實驗(結合并網模塊)
5)風速模擬實驗
6)轉距模擬實驗
7)發電功率模擬實驗
8)其它相關發電性能及測量實驗
9)脫網保護模擬實驗
10)控制策略模擬實驗等
2.3 系統主要模塊參數及功能
2.3.1雙饋異步發電機
繞線轉子雙饋異步發電機,與大型風電機組繞組結構模式相似。
2.3.2四象限變頻器
執行普通工業標準的變頻器,技術參數參照定貨后實際產品,附帶技術參數書。基本性能:額定功率:5.5kW ;響應速度:<300us
3、1、控制單元(演示臺內):系統根據演示單元的需要,通過開關單元的開和關,實現充電、逆變、變頻調速等運行,配備同時單獨計量通道,并滿足數據對比和采集。
風機電源控制,單獨設計有一套大風卸荷保護電路,與逆變電源結合使用。
3、2、風機卸荷單元(演示臺內):風力發電機輸出端口,連于發電機控制器,對風機所發的三相交流電進行整流,調整并控制,然后供給并網逆變器進行并網和系統在大風時的卸荷和其他保護。
3、3、開關控制單元(演示臺):所有演示系統內外單元的引線經隔離開關接至各自的跳線端子上,在實驗過程中,一旦發生漏電、短路、過流、過熱情況,開關自動斷開電源,起到保護儀器儀表和人身的安全。
3、4、 風機連接單元(匯流箱 演示臺):
示意接線面板上,單元部分的引線經隔離開關接至各自的跳線端子,根據演示的需要,可以用跳線自由地查看風機運行的工作狀態
3、5、DC/DC變換單元
直流電壓變換器(DC/DC變換器)具有變換阻抗的作用,既可起到發電機與負載之間的電壓匹配作用,也能通過改變直流電壓變換器的輸入阻抗,使發電機處于最大輸出電功率狀態。
3、6、離網逆變單元
將蓄電池經由DC/DC變換后的直流電,轉換為三相交流電,驅動三相異步電動機運行。
3、7、變頻驅動單元
對DC/DC轉換后的交流電進行變頻調制后驅動三相異步電動機運行,用作三相異步電動機的調速實驗。
3、8、基座
系統尺寸:1.8m×0.6m×0.7m范圍內;底座的設計與系統設計過程中采用的具體器件有關,可以根據器件及客戶需求最終確定結構尺寸及加工。
3、9、演示臺顯示單元
通用部分:設備工作溫度、室內溫度/濕度/時鐘、逆向電量計量。
通用1套3位切換顯示:有功功率.
單獨顯示:風速、風向、日期LCD顯示、風機限流卸荷LED指示。
四、監控單元
監控裝置包括監控主機、監控軟件和顯示設備。本系統采用高性能工業控制PC機作為系統的監控主機,配置多機版監控軟件,采用標準RS-232或RS-485通訊方式,可以實時獲取所有風力發電的運行參數和工作數據。
4、1、 監控軟件
◆ 監控主機同時提供對外的數據接口,即用戶可以通過計算機實時查看整個電源系統的實時運行數據以及歷史數據和故障數據。
◆ 可每隔5分鐘存儲一次電站實驗所有運行數據,包括實時存儲環境數據、故障數據等參數。
◆ 可連續存儲20年以上的電站實驗所有的運行數據和故障紀錄。
五、 售后服務
◆ 使用手冊
◆ 產品培訓
雙饋風力發電機模擬試驗臺,室內模擬風力發電系統是我們的原創,請尊重我們的勞動,不要隨意轉發,如果您要對雙饋風力發電機模擬試驗臺,室內模擬風力發電系統進行轉發,請注明雙饋風力發電機模擬試驗臺,室內模擬風力發電系統是來自戴育教儀廠。